地址:江苏省泰兴市姚王镇(原江苏省泰兴减速机厂向南500米)
手机:15261064399
网址:http://www.jstailong.cc

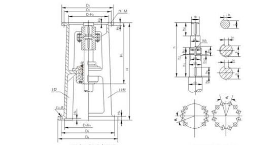
DJ、LDJ型单支点机架主要参数及尺寸 140 230 430 注:图示所“h”仅与本样本BLD、LC-Ⅱ、DC-Ⅱ系列减速机相配,如选用其他型号或其他厂家减速机,“h”需另行计算。增高后的LDJ型机架其下部空间高度可容纳205、206或207双端面机械密封。产品简介:

型号
H1
H3
H4
H5
H6
输入端接口
输出端接口
D1
D2
D3
n1-M
D4
D5
D6
a°
n2-φ
DJ,LDJ30AB
320
15
20
4
6
200160
230190
2604-B10
6-M12240
285
315
Ⅰ20
Ⅱ3010-φ14
12-φ14
DJ,LDJ35A
334
17
20
5
6
170
200
230
6-M10
(6-M12)260
320
360
Ⅰ20
Ⅱ3010-φ14
12-φ14
DJ,LDJ40AB
334
17
20
4
6
200
230
260260
2906-M10
6-M12260
320
360
Ⅰ20
Ⅱ3010-φ14
12-φ14
DJ,LDJ45A
338
20
20
5
6
200
230
260
6-M10
(6-M12)260
320
360
Ⅰ20
Ⅱ3010-φ14
12-φ14
DJ,LDJ55AB
372
22
24
6
56
270
310
305340
6-M10
8-M16325
400
435
30
12-φ14
DJ,LDJ65A
447
22
24
6
6
316(320)
360
400
8-M12
(8-M16)350
420
460
30
12-φ18
DJ,LDJ70AB
447
22
24
6
56
316(320)
320360
400
8-M12
(8-M16)350
420
460
30
12-φ18
DJ,LDJ80AB
495
22
28
6
58
345
360390
410
4608-M16
(8-M20)380
455
495
30
12-φ18
DJ,LDJ90A
519
22
28
7
8
400
450
490
12-M16
(12-M20)430
510
555
30
12-φ23
DJ,LDJ100AB
535
25
28
9
510
455(460)
470520
580
12-M20
480
560
600
22.5
16-φ23
DJ,LDJ110AB
660
30
25
11
610
520
590
650
12-M20
560
650
700
22.5
16-φ27
DJ,LDJ120A
660
30
38
11
10
520
590
650
12-M20
560
650
700
22.5
16-φ27
DJ,LDJ130AB
790
45
40
12
910
680
800
880
12-M30
720
810
880
18
20-φ27
DJ,LDJ140A
790
45
40
12
912
680
800
880
12-M30
720
810
880
18
20-φ27
DJ,LDJ150
790
45
45
14
1012
820
940
1020
16-M30
840
940
1020
22.5
16-φ33
DJ,LDJ160
810
50
50
14
1012
820
940
1020
16-M30
840
940
1020
22.5
16-φ33
DJ,LDJ180
910
55
50
14
1012
960
1080
1160
20-M30
970
1080
1160
18
20-φ33
型号
搅拌轴轴端尺寸
DJ型
LDJ型
h(A/B)
h0
h1
h2
h3
h4
h5
h6
d0
d1
d2
M1
d3(h9)
zd4
b
b1
b2
t
t1
t2
H
重量kg
H
重量kg
DJ,LDJ30AB
250/254
53
103
3
13
22
30
3
30
32
32.8
M35×1.5
35
40
8
6
6
26
31
31.5
550
46
700
54
DJ,LDJ35A
253
53
113
3
15
24
40
3
35
42
42.8
M45×1.5
45
50
10
6
6
30
41
41.5
600
79
750
89
DJ,LDJ40AB
242/249
69
113
3
15
24
40
3
40
42
42.8
M45×1.5
45
50
12
6
6
35
41
41.5
600
79
750
89
DJ,LDJ45A
246
69
113
3
15
28
40
3
45
47
47.8
M50×1.5
50
65
14
8
8
39.5
46
46
600
84
750
94
DJ,LDJ55AB
274/272
80
118
4
15
27
40
3
55
57
57
M60×2
60
65
16
8
8
49
56
56
660
151
760
157
DJ,LDJ65A
333
87
143
4
18
32
50
3
65
71
72
M75×2
75
80
18
10
10
58
69
70
720
171
870
181
DJ,LDJ70AB
333/327
87
143
4
18
32
50
3
70
71
72
M75×2
75
80
20
10
10
62.5
69
70
720
171
870
181
DJ,LDJ80AB
371/340
91
163
4
18
32
60
3
80
81
82
M85×2
85
90
22
10
10
71
79
80
785
209
935
219
DJ,LDJ90A
375
125
168
4
20
36
60
3
90
91
92
M95×2
95
4110
25
12
12
81
89
90
805
266
955
276
DJ,LDJ100AB
386/360
134
178
4
24
42
60
3
100
111
112
M115×2
115
125
28
14
14
90
109
109.5
820
347
1020
362
DJ,LDJ110A
456
155
178
4
24
42
60
3
110
112
112
M115×2
115
125
28
14
14
100
108
109.5
1100
533
1150
537
DJ,LDJ120A
456
155
178
4
24
42
60
3
120
122
122
M125×2
125
140
32
14
14
109
119
119.5
1100
553
1150
557
DJ,LDJ130AB
570/570
197
208
4
28
46
70
3
130
135
137
M140×2
140
150
32
14
14
119
132
134.5
1200
723
1400
754
DJ,LDJ140A
570
197
208
4
28
48
70
3
140
145
147
M150×2
150
160
36
16
16
128
142
144
1200
743
1400
774
DJ,LDJ150
根据减
速机型
号而定210
208
4
32
52
70
3
150
155
156
M160×3
160
170
36
16
16
138
152
154
1200
765
1400
798
DJ,LDJ160
210
227
4
32
52
80
3
160
165
166
M170×3
170
180
40
16
16
147
162
164
1200
780
1400
820
DJ,LDJ180
235
242
4
36
58
90
3
180
185
186
M190×3
190
200
45
18
18
165
180
182
1280
887
1400
933

